|
Từ khóa
Danh mục |
|
Đang truy cập: 147 Trong ngày: 1422 Trong tuần: 2776 Lượt truy cập: 9331050 |

Nội dung bài viết
Thủy lực và hệ thống thủy lực?
Để hiểu thủy lực cũng như các hệ thống, bạn cần biết khái niệm đơn giản của nó.
Thủy lực là gì?
Đó là một ngành khoa học của con người nghiên cứu sự chuyển động và truyền lực của chất lỏng trong một môi trường hạn chế. Trong môi trường này, lực được truyền là lực đẩy lên của chất lỏng thủy lực. Chất lỏng này không xa lạ với chúng ta, đó là dầu, nhớt, nước và các chất hóa học.
Xem thêm: Dầu thủy lực là gì - Công dụng và cách lựa chọn dầu phù hợp
Hệ thống thủy lực là gì?
Tên tiếng anh của nó là Hydraulic System. Để con người vận hành tốt và sử dụng hiệu quả thủy lực trong sản xuất, gia công, chế biến thì cần phải có một hệ thống bao gồm các thiết bị thủy lực.
Chúng được lắp ráp và liên kết linh hoạt, gọn gàng và chắc chắn tạo thành một hệ thống khép kín, vận chuyển dầu.
Hệ thống sẽ bao gồm: thùng dầu, bơm dầu, các van thủy lực, mô tơ, xi lanh dầu, lọc dầu, đường ống dẫn dầu, bộ làm mát dầu, thiết bị đo và điều khiển áp suất và các phụ kiện đi kèm.
Hệ thống thủy lực ngày càng được ứng dụng rộng rãi ở nước ta như: Trong công nghiệp khai thác khoáng sản, thủy điện, các công trình xây dựng, nhà máy xử lý chất thải, nhà máy điện tua-bin gió, gió, ứng dụng trong máy móc cơ giới, phương tiện vận tải, đóng tàu, ô tô sản xuất lắp ráp, nhà máy hóa chất,… Hệ thống luôn mang lại sự hài lòng khi được vận hành liên tục, công suất lớn, tải trọng lớn, công việc nguy hiểm nhưng rất an toàn, bền bỉ và chi phí thấp.

Nguyên lý cơ bản về hệ thống thủy lực
Đối với hệ thống thủy lực, dầu không chỉ đóng vai trò là môi chất truyền lực mà còn được dùng để giảm ma sát và bôi trơn. Dầu cũng giống như máu, nó lưu thông liên tục trong một hệ thống thủy lực vòng khép kín với bơm, bộ truyền động, cơ chế.

Khi cấp điện cho động cơ điện hoặc khởi động động cơ diesel, lực quay sẽ được truyền đến máy bơm. Bơm thủy lực sẽ hút dầu chứa trong bình chứa để chuyển đến các hệ thống cơ khí.
Áp suất dầu thủy lực sẽ được theo dõi và kiểm soát bởi các van an toàn được lắp đặt trong hệ thống. Dầu sẽ được dẫn đến các cơ cấu vận hành, cụ thể là các van phân phối, đến cơ cấu chấp hành. Lúc này nhờ lưu lượng và áp suất của dầu được bơm sẽ tạo ra động năng tịnh tiến hoặc quay. Sau khi quá trình truyền năng lượng hoàn tất, dầu sẽ được đưa trở lại bình chứa để lọc và tản nhiệt trước khi bắt đầu một chu trình mới.
Các đại lượng cơ bản của thủy lực
Khi xem xét các thiết bị và hệ thống thủy lực, có hai thông số cần chú ý nhiều hơn:
Lưu lượng
Định nghĩa về lưu lượng rất đơn giản: Nó là một đơn vị chỉ lượng chất lỏng mà ở đây là dầu cần vận chuyển được vận chuyển qua bơm thủy lực trong một đơn vị thời gian nhất định.
Tùy theo lưu lượng dầu sẽ quyết định chọn cơ cấu chấp hành. Vì lưu lượng dầu thủy lực là thông số ảnh hưởng đến tốc độ.
Lưu lượng có nhiều đơn vị như: cc/vòng, lít/phút, in/vòng...
Áp suất
Tiếp theo là áp suất, đại diện cho lực của chất lỏng thủy lực tác dụng lên bề mặt làm việc của bộ truyền động hoặc thành ống khi dòng chất lỏng bị chặn tại mặt của bộ truyền động hoặc 1 điểm trên đường ống.
Thông số này sẽ xác định lực tác động lên cơ cấu chấp hành trên tải. Áp suất được đo bằng áp kế và có nhiều đơn vị đo như: Psi, bar, MPa, Kpa, Kg/cm2...
Ngoài ra, trong hệ thống thủy lực làm việc, người dùng nên chú ý đến nhiệt độ. Vì nhiệt cũng là yếu tố ảnh hưởng đến sự vận hành và an toàn của hệ thống khi làm việc.
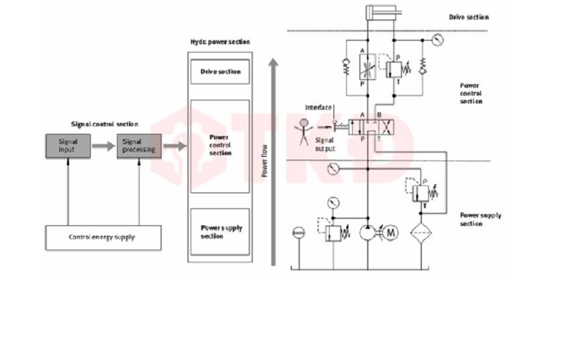
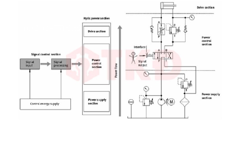
Cấu trúc hệ thống thủy lực
So với hệ thống khí nén thì tất nhiên hệ thống thủy lực phức tạp hơn với nhiều thiết bị, linh kiện được chia làm 2 phần: phần thủy lực và phần tín hiệu điều khiển.
Phần thủy lực
Phần thủy lực của hệ thống thủy lực sẽ được chia thành 3 phần khác nhau: khối nguồn thủy lực, bộ chấp hành, khối điều khiển lưu lượng thủy lực.
Khối nguồn thủy lực
Tiêng anh là Power supply section. Là bộ phận chuyển đổi năng lượng từ điện sang cơ sang thủy lực và ngược lại. Khối nguồn này sẽ bao gồm các thiết bị như:
Bơm thủy lực: Có thể là bơm piston cao áp, bơm bánh răng và bơm cánh gạt áp suất thấp. Bơm sẽ là trung tâm để có thể hút và đẩy dầu trong hệ thống đến các thiết bị khác ở khắp mọi nơi.
Động cơ điện: Có nhiệm vụ biến đổi điện năng thành cơ năng và đảm bảo quá trình quay của máy bơm. Động cơ điện được sử dụng phổ biến nhất là loại 2 chiều.
Bể chứa dầu hay còn gọi là bể chứa, bể chứa: không chỉ chứa dầu mà còn dùng để tản nhiệt cho dầu. Do đó, kích thước của bình chứa dầu sẽ bị chi phối bởi tốc độ dòng dầu và nhu cầu tản nhiệt.
Van an toàn: đảm bảo cho áp suất dầu trong hệ thống luôn nằm trong giá trị định mức được cài đặt trước.
Cơ cấu đồng hồ báo áp suất, cơ cấu đồng hồ báo lưu lượng và một số thiết bị khác…
Điều khiển dòng thủy lực
Tiếng anh là Power control secition. Như chúng ta đã biết, trong một hệ thống thủy lực hoàn chỉnh, dòng năng lượng của dầu sẽ được truyền từ bơm đến cơ cấu chấp hành sao cho các giá trị luôn đảm bảo theo yêu cầu làm việc xác định: Tốc độ quay, lực, momen, tốc độ . Ngoài ra, dòng công suất còn phải đáp ứng các điều kiện hoạt động của hệ thống.
Và như vậy các van được lựa chọn, lắp đặt trên đường ống sẽ đảm nhận vai trò điều khiển dòng chảy của dầu thủy lực bằng năng lượng.
Có thể liệt kê một số loại van thủy lực thông dụng như: van thủy lực 1 chiều, van tiết lưu, van áp suất, van điện từ đảo chiều dầu...
Van một chiều: Chỉ cho phép dầu chảy theo một hướng, ngăn dòng chảy ngược có thể làm hỏng máy bơm.
Van tiết lưu: Điều chỉnh lượng dầu qua van.
Cơ cấu điều hành
Tiếng Anh là drive section. Nó bao gồm xi lanh thủy lực 1 chiều, xi lanh dầu 2 chiều, động cơ thủy lực (hay còn gọi là motor).
Phần tín hiệu điều khiển
Tín hiệu điều khiển là thành phần thứ hai ảnh hưởng đến toàn bộ hệ thống thủy lực. Nhiều khách hàng thường bỏ qua phần này nhưng nó lại rất quan trọng và ảnh hưởng trực tiếp đến hiệu quả hoạt động.
Tín hiệu điều khiển được chia thành hai phần:
+ Phần tử đầu vào tín hiệu: Còn gọi là đầu vào tín hiệu. Điều này có thể được thực hiện trực tiếp bởi người vận hành thông qua các thiết bị như: Bàn phím, nút nhấn, công tắc... cảm biến từ tính, cảm biến không tiếp xúc, cảm biến cảm ứng từ hoặc bất kỳ thiết bị cơ học nổi tiếng nào như công tắc giới hạn.
+ Các thành phần tác động để xử lý tín hiệu: Còn gọi là xử lý tín hiệu. Đây là kỹ thuật viên vận hành cơ khí, điện tử, điện, cơ khí, thủy lực, v.v.

Ưu và nhược điểm của hệ thống thủy lực
Hệ thống thủy lực không phải là hệ thống hoàn hảo khi nó có nhiều ưu điểm lớn nhưng cũng có một số hạn chế.
Ưu điểm của hệ thống thủy lực
+ Ưu điểm đầu tiên tôi muốn nói đến là momen khởi động cao của hệ thống này. + Dẫn động được với công suất và áp suất lớn nên thường dùng cho các vật nặng, nguy hiểm, nặng.
+ Hệ thống không quá phức tạp, kết cấu gọn nhẹ, ít phải vệ sinh bảo dưỡng, làm việc tin cậy.
+ Bằng cách lắp đặt van an toàn, người dùng có thể dễ dàng ngăn chặn tình trạng quá tải.
+ Điều khiển áp suất rất dễ dàng trong hệ thống nhiều mạch sử dụng đồng hồ đo áp suất và cảm biến áp suất. Hệ thống này cho phép người sử dụng tự động làm việc theo các chương trình hoặc điều kiện làm việc đã cài đặt sẵn, điều chỉnh tốc độ, đảo chiều...
+ Khi thiết kế hệ thống bạn có thể chọn áp suất làm việc cao hơn để giảm kích thước và khối lượng.
+ Người dùng có thể chuyển đổi chuyển động quay của động cơ (motor) thành chuyển động tịnh tiến của cơ cấu truyền động (xi lanh dầu) một cách nhanh chóng và dễ dàng.
+ Kết hợp giữa khả năng nén của dầu với quán tính thấp của thiết bị bơm và động cơ, người dùng có thể yên tâm sử dụng thiết bị ở tốc độ cao mà không lo bị giật.
+ Xây dựng các phần tử tiêu chuẩn hóa cho phép tự động hóa công tác thủy lực.
Xem thêm: 5 Sai lầm thủy lực hàng đầu và giải pháp tốt nhất
14 Sự cố thường gặp ở hệ thống thủy lực
Hạn chế của hệ thống thủy lực
Tất nhiên, tất cả các hệ thống, không chỉ khí nén mà cả thủy lực, đều có giới hạn của chúng.
+ Do sử dụng dầu, chất bôi trơn, chất lỏng thủy lực và thậm chí cả hóa chất nên hệ thống bị vỡ và rò rỉ có thể ảnh hưởng đến môi trường, đất, nước, không khí và con người. Điều này nguy hiểm và bạn nên cẩn thận khi vận hành hệ thống.
+ Trong các hệ thống thủy lực làm việc, tốc độ thay đổi khi tải trọng thay đổi. Các kênh có tính đàn hồi kết hợp với đặc tính áp suất của chất lỏng thủy lực nên không thể duy trì vận tốc như nhau: dầu nhớt, nhớt, hóa chất…
+ Hầu hết các hệ thống thủy lực đều phải đối mặt với tình trạng kém hiệu quả trong thời gian dài và phạm vi sử dụng hạn chế. Điều này là do sự rò rỉ xảy ra bên trong phần tử, ma sát của dầu trên thành ống và ma sát của lớp dầu bên trong đường ống.
+ Hệ thống mới khởi động khi bạn bật nguồn, nhiệt độ dầu và nhiệt độ trong hệ thống chưa ổn định, độ nhớt của dầu thay đổi, tốc độ thay đổi.
Hệ thống thủy lực đã chứng tỏ được hiệu quả trong đời sống sản xuất của con người. Để đáp ứng được hệ thống thủy lực thì cần những loại dầu có uy tín, chất lượng trên thị trường.
Quý khách cần tư vấn về thủy lực và vận hành vui lòng liên hệ với chúng tôi để được hỗ trợ tốt hơn.
Xem thêm các bài viết dầu thủy lực:
- Các loại dầu thủy lực Shell trên thị trường hiện nay
- Các loại dầu thủy lực Total trên thị trường hiện nay
- Các loại dầu thủy lực Caltex trên thị trường hiện nay - Phân phối dầu thủy lực Caltex chính hãng
- 5 Sai lầm thủy lực hàng đầu và giải pháp tốt nhất
- Top 7 loại dầu truyền nhiệt tốt nhất hiện nay
- Bảng giá dầu truyền nhiệt Castrol, Shell, Caltex, Total, Mobil năm 2023
Hotline:
Email: moboitronhq@gmail.com
Người gửi / điện thoại
CÁC BÀI MỚI HƠN
CÁC BÀI CŨ HƠN
CÔNG TY TNHH THƯƠNG MẠI DỊCH VỤ AN PHÚ ĐỨC
CÔNG TY TNHH UNITED OIL VIỆT NAM
Địa chỉ văn phòng: 109 Nguyễn Bá Tòng, Phường 11, Quận Tân Bình, TP HCM
Hotline: 0919770028
Kho hàng 1: 61/13 Đường Vĩnh Phú 41, Thuận An, TPHCM
Kho hàng 2: Thôn Nhơn Thọ 1, Xã Hòa Phước, Huyện Hòa Vang, TP Đà Nẵng.
Kho hàng 3: 82 Nguyễn Phúc Nguyên, Hương Long, TP Huế.
Kho hàng 4: 423 Minh Khai, Hai Bà Trưng, Hà Nội.
Kho hàng 5: Hẻm 1400, Nguyễn Ái Quốc, Khu phố 5, Phường Tân Phong, TP Biên Hòa, Đồng Nai
Kho hàng 6: 265 Mọ Kọ, Gung Ré, Di Linh, Lâm Đồng
Kho hàng 7: 40 Trần Anh Tông, Quy Nhơn, Gia Lai
Kho hàng 8: 47B, Hẻm 51, Đường 3/2, Phường Xuân Khánh, Quận Ninh Kiều, Thành phố Cần Thơ
Email: moboitronhq@gmail.com - MST 0313110360
Admin: Nguyễn Gia Quốc Bảo
Tuyển cộng tác viên kinh doanh dầu nhớt
Tham gia HIỆP HỘI DẦU NHỚT VÀ PHỤ TÙNG VIỆT NAM để tìm kiếm nguồn hàng và khách hàng dễ dàng hơn!
































